
Si5340超低ジッタクロックジェネレータ基板 故障? - kkumax URL
2026/03/31 (Tue) 17:42:10
Si5340超低ジッタクロックジェネレータ基板+SRC4137基板+AK4493PowerAMP基板
の組み合わせで数年問題なく動作していたのですが数日前に突然音がでなくなりました。
各基板単体でのテストでSi5340ジェネレータ基板が原因の様でそこをバイパスすると
問題なく音がでます。
Si5340ジェネレータ基板は周波数追従モードで使用していましたが
音が出なくなった時から
INP 0.00000MHz
Not Valid Input
の表示が出ていたので前段のSRC4137を疑ったのですが
パターン切断箇所を接続してテストすると正常に音が出ます。
Si5340超低ジッタクロックジェネレータ基板は固定周波数出力モードでは
問題なく動作する様です。
次はどの部分を調べるべきか?アドバイスをお願いしますm(_ _)m
Re: Si5340超低ジッタクロックジェネレータ基板 故障? - ヒロ
2026/03/31 (Tue) 18:54:35
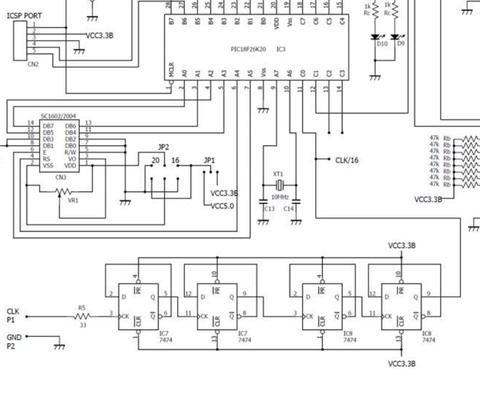
PICのPin11にクロックが入っていないと思います。
クロック入力から信号線をおいかけて、クロックがどこで止まっているかを調べればいいでしょう。経路はロジックの7474だけですから、調べるのも簡単だと思います。
Re: Si5340超低ジッタクロックジェネレータ基板 故障? - kkumax URL
2026/03/31 (Tue) 19:44:30
早急なレスありがとうございます。
いずれもICのリードまでは断線していないようです。
IC7,IC8 (SN74LVC74A)の交換してみるのが良いでしょうか。
※導通だけ調べました。オシロは不調で...(泣)
Re: Si5340超低ジッタクロックジェネレータ基板 故障? - ヒロ
2026/03/31 (Tue) 20:00:07
不良の場所をつきとめないと、無駄になる可能性高いです。7474の不良か、あるいはPICのカウンタがおかしいのか。また、そもそも入力にクロック信号がはいっていないこともあり得ます。なんでもいいので、適当なクロックを入れてみては?
Re: Si5340超低ジッタクロックジェネレータ基板 故障? - kkumax URL
2026/04/01 (Wed) 13:58:53
とりあえずここまでは確認出来ました。
SRC4137基板にSi5340クロックジェネレーター基板を取りつけするためには
AK4137の33番ピンから出力されるクロック信号を次段のロジックICに入る前に
パターンを切断してSi5340クロックジェネレーター基板の入力へ接続
切断したパターンの行き先側はSi5340クロックジェネレーターのout端子へ接続する必要があり
自分の基板ではその部分にSMAコネクターを取り付けてあります。
このコネクタ同士を接続すると問題なく音が出る事と
そのコネクター部の信号波形を見る限り
オシロカーソル読みで約2.9MHz 基板のLCD表示で2.822MHzとなっていてSRC4137基板からクロック信号は出ていると思います。
次の段階でSi5340クロックジェネレーター基板を接続した状態で
入力コネクター部分をオシロで当たってみましたが
既にクロック波形が確認出来ない状態になっています。
この状態だとIC7,IC8 (SN74LVC74A) のどちらか?壊れているのでは?
と考えていますがどうでしょうか?
Re: Si5340超低ジッタクロックジェネレータ基板 故障? - ヒロ
2026/04/01 (Wed) 19:37:22
問題のないクロック信号線を、7474の入力に接続することで、クロック信号が観測できなくなるのであれば7474が怪しいような気がします。が、そう簡単に壊れるものでもないと思われるのですが。交換して改善するならいいですが、原因がわからないとちょっと気味悪いですね。
Re: Si5340超低ジッタクロックジェネレータ基板 故障? - kkumax URL
2026/04/01 (Wed) 19:57:27
>そう簡単に壊れるものでもないと思われるのですが
激しく同感です....
で!次の手は何か?
PICをソケットから抜いてR5も取り外して7474の部分だけ正常か?
調べる方法はないでしょうか?
Re: Si5340超低ジッタクロックジェネレータ基板 故障? - ヒロ
2026/04/02 (Thu) 05:44:35
問題の切り分け調査については賛成です。
Re: Si5340超低ジッタクロックジェネレータ基板 故障? - AYOR
2026/04/02 (Thu) 08:42:42
全部繋がっていても、SRC4137からクロックが来ているのなら、IC7、8それぞれの出力(9番ピン)を、オシロで見れないものでしょうか。
そもそも、両ロジックにVCCは来ていますか。
Re: Si5340超低ジッタクロックジェネレータ基板 故障? - kkumax URL
2026/04/12 (Sun) 17:04:15
すいません故障原因と箇所を特定出来ないので
見切りでIC7,IC8 (SN74LVC74A)の交換しました。
再度Si5340クロックジェネレーター基板とSRC4137基板を接続すると
今度はSRC4137基板も動作しなくなりました。
基板を切り離すとSRC4137基板は正常に動作するようです。
(パターン切断箇所を接続するとOK)
で!自分としてはPICを交換してみたいのですが
お願い出来ないでしょうか?
Re: Si5340超低ジッタクロックジェネレータ基板 故障? - ヒロ
2026/04/12 (Sun) 21:17:22
大丈夫です。私信ください。
Re: Si5340超低ジッタクロックジェネレータ基板 故障? - kkumax URL
2026/04/12 (Sun) 22:25:05
先程メールをさせていただきました。
よろしくお願いいたします。
Re: Si5340超低ジッタクロックジェネレータ基板 故障? - kkumax
2026/04/19 (Sun) 20:55:58
ありがとうございました。
クロックジェネレータ基板は動作しましたが...
修理途中で肝心のAK4493PowerAMP基板の電源を逆接続して
トランジスタが割れて...
それで予備に作っておいたAK4493PowerAMP基板を取り付けて
修理再開しましたが今度はAK4137基板が起動しなくなりました。
LCDの表示に■が並んでいます。
ちょっと休憩します(苦笑)
Re: Si5340超低ジッタクロックジェネレータ基板 故障? - ヒロ@お出かけ中
2026/04/20 (Mon) 08:03:01
いままでの経験からLCDは電源逆接するとほぼ100%故障します。Renew SRC4137基板は一旦3.3Vレギュレータを介するので大丈夫じゃないでしょうか。PCM9211はADCで5Vをつかっているのですが、案外大丈夫かもです。
休憩されたのちは、まずはLCD交換されてはいかがでしょうか。
Re: Si5340超低ジッタクロックジェネレータ基板 故障? - kkumax
2026/04/23 (Thu) 01:02:17
>SRC4137基板は一旦3.3Vレギュレータを介するので大丈夫じゃないでしょうか。
>PCM9211はADCで5Vをつかっているのですが、案外大丈夫かもです。
大丈夫でした!!
何とか元の構成に戻してスイッチON....リレーがカチッと鳴って再生成功!
夕御飯後に
さて続きをとSW-ONしても今度はリレーがONにならない不具合が...
でもその他の部分は表示液晶を見る限り問題なく動作しているように見えます。
以前もこの状態になった事があってその時は何度かSW-ON-OFFすると復旧したのですが
今回は復旧しません。
オリジナルのPICの各種起動モードを試しても反応なしでした。
それで以前にお願いしてDSD対応にしていただいたPICへ交換して見ると
一回目は問題なくリレーがONして問題なく再生出来たのですが
一度OFFして少し待ってONしてみてもリレーがONしません。
リレー駆動の12Vの配線に起動しない時に強制的にONするSWを追加出来ないものでしょうか?
もしかして各種起動モードの設定ピンはプルアップ/プルダウンが必要になるのでしょうか?
Re: Si5340超低ジッタクロックジェネレータ基板 故障? - ヒロ@お出かけ中
2026/04/23 (Thu) 19:37:14
たぶん電源OFFにしても、電圧が十分に下がりきらなくてPICがリセットに必要な電圧の状態になっていないためだと思います。PICの電源電圧を確認するとよいかと思います。
おそらく、どこからかの制御線などを介して電力が供給されていると思われます。
Re: Si5340超低ジッタクロックジェネレータ基板 故障? - kkumax
2026/04/24 (Fri) 10:30:53
>おそらく、どこからかの制御線などを介して電力が供給されていると思われます。
ヒロさんのI2Sピン配置仕様で9,10pinが3.3Vとなっているので
自分はそれを利用してI2Sの差動送受信基板への3.3V供給をしています。
それが原因の様に思われましたが...すべて遮断したつもりでも何故か?
MUTE-mode0が ダメで
しかたがなくMUTE-mode2 に設定したところ上手く動作する様になったと思います。
(まだ何か不安定な気がしますが...)様子を見ます。アドバイスありがとうございます。
m(_ _)m
蛇足
ちなみにDSD対応版のミュート制御はどんな感じなのか教えていただけると嬉しいです。